Поделиться:
Тип: керамические расходные детали
Применение: керамическая конструкция
Материал: из Корундовой керамики
Сжатие: 2200-3000
Плотность: 3,6-3,9
Термостойкость: 200-250
Максимальная температура использования: более 1500
Сопротивление громкости: более 10 ^ 14
Применение: текстильной ушко
Преимущество: устойчивы к высоким температурам
Банный халат прекрасно впитывает воду: 0
Материал: из Корундовой керамики
Цвет: белый











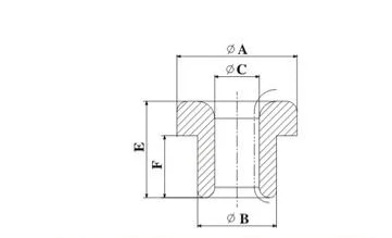
Описание cEramic eyelet (керамическое кольцо):
Керамическое ушко (керамическое кольцо) является наиболее часто используемым компонентом для
Провод проходит, и он используется в проходящем положении катушки обмотки машины
И текстильной техники. Обычно он используется для менее требовательных случаев. В
Форма, отделка и твердость материалов должны быть улучшены, чтобы уменьшить
Трение из-за скольжения проволоки на поверхности керамических колец.В зависимости от
К требованиям, польская степень фарфорового глаза можно рассматривать как
Шероховатая полировка, точная полировка и сверхточная полировка.
ОсобенностиCEramic eyelet (керамическое кольцо) :
1. Степень полировки внутренней поверхности: Ra0.2~ 0,8.
2. Материал: 99% AI2O3С плотностью 3,85.
3. Твердость: HRa88.
Материал: Глиноземистая керамика (95 /99 из Корундовой керамики, steatite керамики, циркониевой керамики не являются обязательными)
Отличная стойкость к истиранию
Длительный срок службы.
Точная отделка поверхности может достигать до 0,2.
Нить не повреждена в процессе скольжения.
Мы являемся производителем, мы производим профессиональные текстильные керамические изделия.
У нас есть уплотнительные изделия.
Супер качество и конкурентоспособная цена.
Мы соответствуем RoHs сертификации.


О нас:
1) Наша компанияИмеет команду опытного технического персонала с более чем 8 летним опытом работы в производстве различных проволочных направляющих шкивов, стальных колец, роликов. Мы можем предоставить вам первоклассный дизайн, точный продукт, упаковку, доставку и другие услуги, такие как предпродажи, продажа и послепродажное обслуживание.
2)Наш продуктТип диверсифицирован, охватывает почти все виды проволочной промышленности, кабельной промышленности, шкив для волочения проволоки, керамического pullley, ролика и т. д. используется в deiiferent отраслях промышленности. Наш основной продукт-различные шкивы с керамическим покрытием и конусный шкив, шкив с покрытием из карбида вольфрама и конус puley, ролик из керамики и карбида вольфрама, стальное кольцо и т. д.
3)Мы оснащаемС передовым производственным оборудованием (например, сверхзвуковое оборудование (HVOF), оборудование для распыления порошка пламени) и передовым техническим опытом, который дает нам хорошие производственные возможности.
Вопросы и ответы:
1. Можем ли мы получить некоторые образцы?
Да, вы можете получить доступные образцы, бесплатно для керамических образцов, но стоимость перевозки.
Другие металлические изделия требуют стоимости образца.
2 как мы можем получить предложение?
Конечно, сначала отправьте подробный чертеж на мой адрес электронной почты службы поддержки клиентов.
Если нет рисунка, пожалуйста, поставьте спецификацию продуктов, таких как материал, размер, форма, количество, отделка поверхности и т. д.
3 Если у меня нет рисунка, можете ли вы помочь с дизайном?
Да, у нас есть профессиональный дизайнер, который поможет вашему дизайну.
4. Каковы торговые условия и условия оплаты?
30% или 50% от общей стоимости, которая должна быть оплачена перед производством, остальная часть depoist должна быть оплачена перед отправкой.
Принимаем T/T. West union,money gram,L/C,paypal, наличные, другие можно обсудить
5 что насчет времени выполнения?
Это зависит от продуктов, обычно 10-15 дней после подтверждения чертежей и оплаты.
6 как я могу узнать, был ли отправлен наш продукт?
Детальные фотографии каждого процесса будут отправлены вам в течение срока производства, мы поставим трек No, после отправки.
7 какой способ доставки я могу выбрать? Как насчет времени доставки каждого варианта?
DHL,UPS,FEDEX,TNT,CHINA POST и т. д. от 3 до 5 рабочих дней экспресс-доставки.
8. Как вы оплачиваете доставку?
Мы поставляем стоимость доставки в соответствии с расчетным G.W, когда цитата.
9 у вас есть минимальный заказ?
Да, минимальное количество заказа зависит от спецификаций продуктов, которые вам нужны.
Обратите внимание: Сначала отправьте подробный чертеж Мой адрес электронной почты службы поддержки клиентов.
Если нет рисунка, пожалуйста, поставьте спецификацию продукции,ТакиеКак материал, размер, форма,Количество, поверхность и т. Д.
Затем отправьте вам предложение в течение 24 часов.