Поделиться:
ASTM A1 ASCE 30 Steel Rail
Material: 55Q
Length(m):6.096-12.192m
Rail chemical composition
C Si Mn P S Cr V
0.50-0.60 0.15-0.35 0.60-0.90 <=0.040 <=0.040 / /
Rail mechanics property
Tensile Stregth Rm(N/M M2): >=685
Hardness of the rail running surface, centre line(HBW10/3000): >=197
Main products: GB Standard(light rail 8KG-30KG, heavy rail 38KG-60KG, crane rail QU70-QU120). Zhongxiang Steel Group also provide UIC, BS, DIN, ASTM, JIS, AISI Standard rails.
Reprocessing Service: Rail Bending, Rail Cutting, Rail Punching, Steel Plate Processing.

And the specification and chemical component of ASCE 30 rail is similar to GB 15 rail.
| Size | Dimension(mm) | Theoretical Weight (kg/m) | Length | ||||
| Head Width | Height | Base Width | Web | Material | M/PCS | ||
| ASCE 30 | 42.86 | 79.38 | 79.38 | 8.33 | 15.2 | Q235B/ 55Q | 5--12 |
| GB 15 | 42.86 | 79.37 | 79.37 | 8.33 | 15.20 | 55Q | 6--12 |
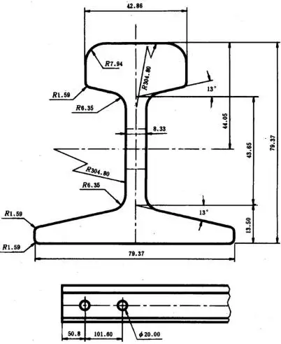
The Drawing of GB 15KG Steel Rail/ ASCE 30 Steel Rail







Why Choose Us!
A: We are manufacturer.
A: Generally, within 15-20 days after deposit received.
A: Warmly welcome! Once we have your schedule, we wii arrange the professional sales team to fellow up your case.
A:Available upon request.
A: Payment<=1000USD, 100% in advance. Payment>=1000USD, 30% T/T in advance ,balance before shippment.

If you have any questions, pls feel free to contact us as below:
Whatsapp/wechat/skype: + 86 17638106761
QQ:1319520156
We hope to cooperate with more customers for mutual development and benefits.