Поделиться:


Особенности
1. Они могут измерять температуру жидкости, пара, газа и твердого вещества в производстве.
2. Характеристики ударостойкие, высокотемпературные и долговечные.
3. Используется для измерения температуры и автоматического контроля в области от-200 до 600 °C.
Описание продукта:
Он состоит из датчика температуры и преобразователя сигнала. Преобразователь сигнала установлен в холодном конце соединительной коробки датчика температуры. Датчик температуры зависит от температуры для получения дифференциального сигнала напряжения. Этот сигнал усиливается усилителем, а затем через преобразование напряжения и тока, затем генерирует 4-20mA текущий сигнал или другой сигнал 0-5 В.
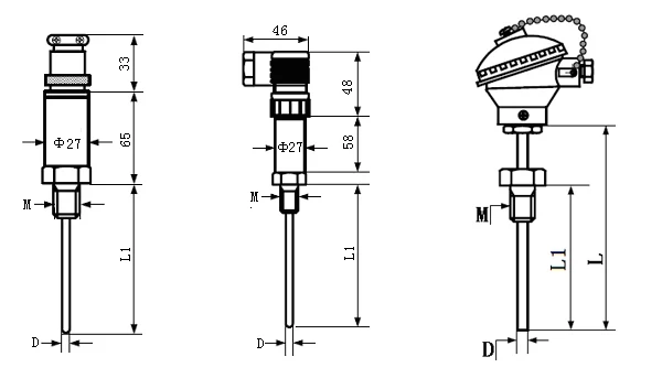
| Измерительный медиа | Жидкостей, газов |
| Номинальное давление | 40 МПа |
| Измерительный элемент | Pt100 |
| Диапазон измерений | От-50...100 °C до-200...600 °C |
| Блок питания | 12-32VDC |
| Выход | 4-20mA, 0-5VDC или 0-10VDC опционально |
| Точность | 0.25% FS |
| Температура окружающей среды | -40 ~ 85 °C |
| Температура хранения | -40 ~ 85 °C |
| Температурные коэффициенты | 0.25%/10 °C |
| Влажность окружающего воздуха | 95% RH |
| Динамический отклик | 0,3 s |
| Защита | IP65 |
| Процесс подключения | G1/4, M20 * 1,5 или другие по запросу |
| Электрическое соединение | DN43650 L-разъем |
| Материалы | Смачиваемые детали: нержавеющая сталь Материал корпуса: нержавеющая сталь |
| Диаметр зонда | Φ4,Φ6. .. Φ16 опционально |
| Монтажная длина | 10, 25...500 мм опционально |











В1: Как долго вы дадите мне ответ?
О: мы свяжемся с Вами как можно скорее.
В2: Могу ли я посетить ваш завод?
О: искренне приглашаем вас посетить наш завод.
В3: предоставляете ли вы образцы?
О: Да, у нас есть материалы на складе, чтобы помочь вам получить образцы как можно скорее.
В4: Как насчет качества управления?
О: у нас есть полная система контроля качества, все наши продукты будут полностью предварительно проверены отделами контроля качества перед отправкой вам.
В5: какая гарантия на ваш продукт?
О: Гарантия: 1 год, и пожизненное обслуживание онлайн после-сервис.
