Поделиться:

HEDY is the one of the largest variable frequency converter (VFDs,VSDs,AC drive) manufacturer in China.
Performance Features--Mppt Solar Inverter Solar Water Pump Controller Drive
220V | 380V | |
Max input DC voltage | 410V | 800V |
Recommended MPPT voltage range | 200~400VDC | 350~750VDC |
Recommended input voltage | 305V | 530V |
MPPT efficiency | 99.7% | |
Input channel | 2 | |
Rated output voltage | 3-phase 220VAC | 3-phase 380VAC |
Output frequency range | 0~60Hz | |
Max efficiency of the machine | 97% | |
Ambient temperature range | -10 °C~50 °C, derating if the temperature is above 40 °C | |
Cooling method | Air cooling | |
Protection degree | IP20 | |
Altitude | Below 1000m; above 1% for every additional 100m. | |
Standard | CE | |

General Technical Data

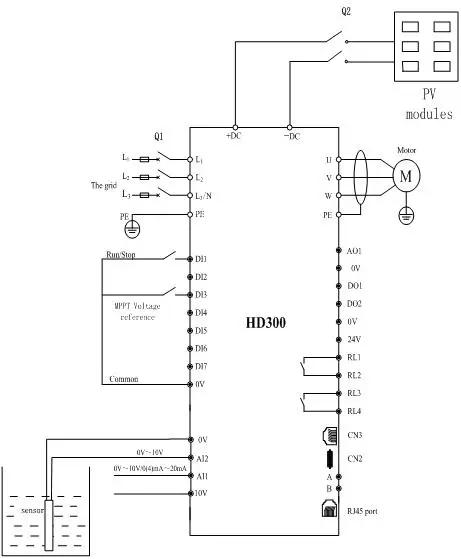
Cabling

Model Reference

FAQ:
Q1. What’s your MOQ limit on inverters?
A. Our MOQ is one set only.
Q2. What’s the lead time?
A. 1-15days depends on quantity, we have some model in stock.
Q3. What about packing?
A.Plastic bag + Expandable Polystyrene + Carton + Export Wooden case.
Q4. Do you offer OEM service?
A. Yes. Any your idea on our products,we can help you to design and put it into production
Q5. What is the warranty of your product?
A. 18 months
Q 6. what's the payment term?
A. We accept T/T, L/C, D/P, D/A,West Union, PAYPAL,Money Gram,Cash.


