Поделиться:
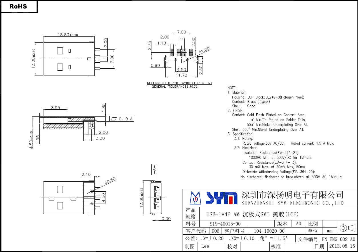
USB 2.0 A Type Male SMT connector Plug Sink LCP
Material
Housing: LCP Black, UL94V-0(Halogon free)
Contact: Brass
Shell: Spcc, nickel plated
Electrical
Current rating: 1.5A
Current voltage: 30V AC/DC

Mass production order will be delivered by sea or by air.
USB 2.0 A Type Male SMT connector Plug Sink

Our Services
Why choose us?
1. Over 10 years manufacture experience, and many years export experience.
2. We value every inquire send to us, ensure quick and competitive offer.
3. We put your order into our tight production schedule, ensure you punctual delivery time.
4. We are a sales team, with all technical support from our engineer team.
After-sales service:
1. We deal with you complains within 24 hours.
2. Production configuration design using modular approach can be developed and produced according to user need all kinds of special speciation production to meet the diverse need of the market.
3. All staffs in our company with philosophy of “Integrity, dedication, truth-seeking, enterprise”, would be dedicated to provide high quality service and products for you, and wish to create better future with you!
After price confirmation, you can require for samples to test the performance.
Most of samples can be supplied by free ( depends on the kinds and qty of samples) or you can payfor sample cost.
2. How lI expect to get the sample?
After you pay for the sample charge and we confirm the drawing with each other, the samples will be ready for 1-5 days.
Sample order will be shipped by UPS/DHL/FEDEX, which will take 4-5 work days for delivery. You can use your own courier accounts or prepay us if you do not have an account.
3. Can you supply OEM & ODM service ?
Yes. We are warmly welcome OEM and ODM orders, We are professional manufacturer on wire harness ,cable assembly and PCB connectors, factory with more than 12 years of OEM or ODM experience.
4. What about the lead time for mass production?
Honestly, it depends on the order quantity and the season you place the order. The lead time of MOQ is about 5 to 15 days. Generally speaking, all of the goods can be finished within 4 weeks.
5. What is your price terms?
We are accept EXW, FOB, CIF, etc. You can choose the one which is the most convenient or most cost-effective for you.
6. Do you have warranty?
Yes,we provide one year warranty