Share on:
Boiler Parts Stainless Steel UV Flame Detector For Replacement




Flame detectors are used in conjunction with Siemens combustion controllers for monitoring of gas or oil flames. QRA...for OEMs integrating flame detectors into their products.
| Model | LEN-SENSOR01 |
| Installation Guide | Controller unit and other cables must be installed separately from high voltage ignition cables |
| Notice | Do not run detector cables with other cables |







1 DESCRIPTION
UVD2 is to be coupled with FSC-1600/1200, to detect the UV light that generate by combustion. It has fast response to UV light, long service life and high sensibility. It can be used to all kinds of burners.
2 CHARACTERISTICS
2.1 AC power supply
2.2 Pulse Output
2.3 Uses high sensibility unit, with wide working voltage, fast response and long service life
3 TECHINICAL DATA
| Working Current | 2mA r.m.s |
| Peak Wavelength | 210mm |
| Working Voltage | 220VAC 50/60HZ |
| Optical Spectrum | 190-290mm |
| Environment Temperature | -25~80°C |
| Light Direction | 180°C |
| Weight | 300g |
| Service Life | 10000 hrs |
4 INSTALLATION AND WIRING
4.1 WARNING:To prevent malfunction, UVD2 must be checked before ignition.
Detailed procedures:
a) Shut all gas valves and take off UVD2 from the burner;
b) Connect UVD2 to power and turn on the controller;
c) Point UVD2 to a lighter, the controller should have a Yellow light, and when the flame goes off, it should have a red light. Repeat the above steps several times, only if all are normal, it can be used to a burner.
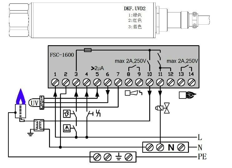
4.2 WIRING WITH FSC 1600
LINE 1 = GREEN
LINE 2 = RED
LINE 3 = BLUE


